返回首页
|
添加收藏
|
联系我们
网站首页
关于我们
新闻中心
产品系列
营销网络
人才招聘
联系我们
新闻分类
公司新闻
技术文章
行业新闻
产品搜索
首页>>新闻中心>>详细
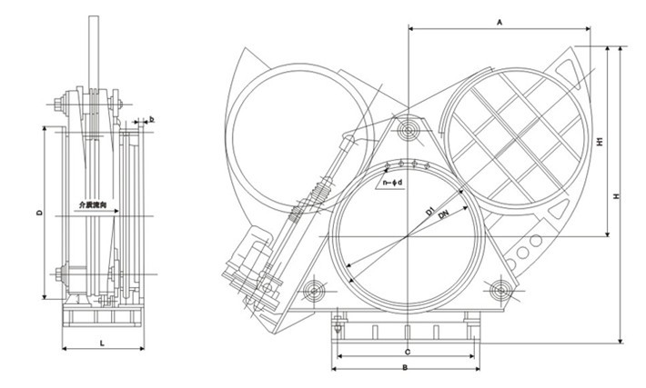
F9T43X-(0.5-2.5) 电动推杆扇形盲板阀-冶金阀门
凯喜姆科技集团温州擒工冶金阀门有限公司
擒工冶金阀门 网址
www.cnqgv.com
www.qg-v.com
电话13736713326 小项
上一条:
电动阀如何分类选购
下一条:
[图文]电动扇形盲板阀/眼镜阀-擒工冶金阀门